Разбить на части без переплат
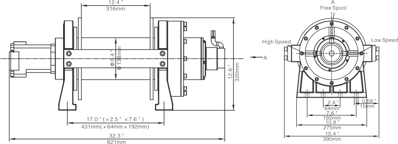
Лебедка оснащена механическим переключателем свободной размотки.
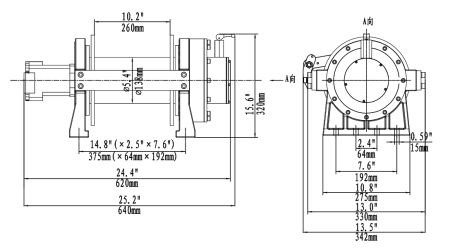
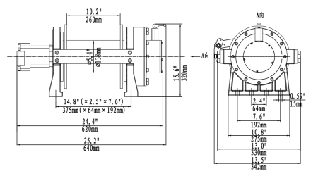
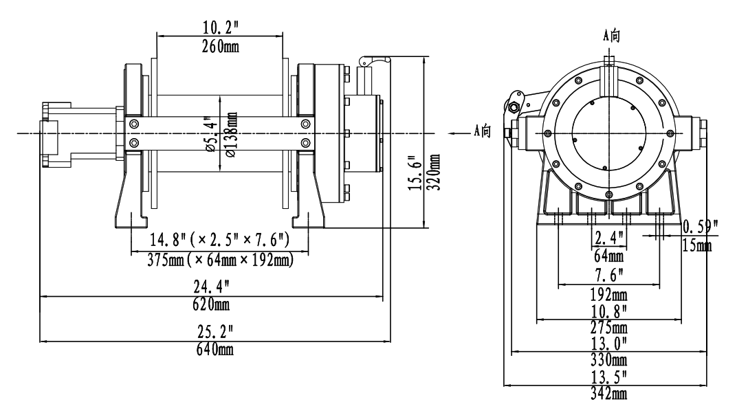
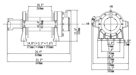
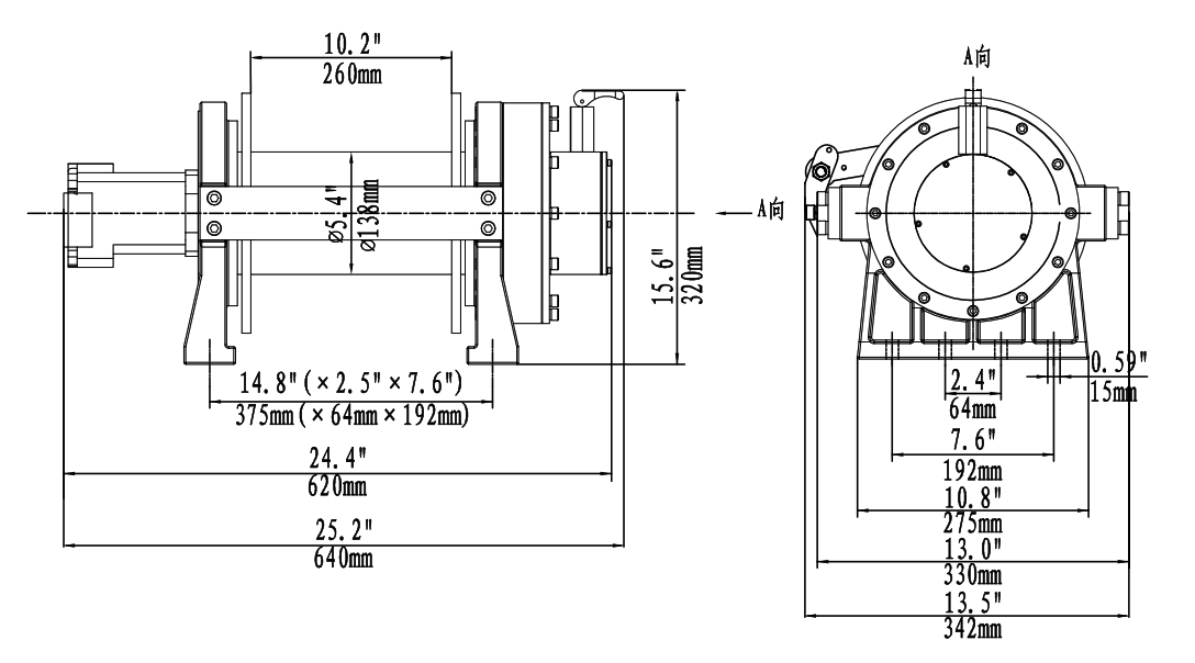
Технические характеристики
- Тяговое усилие: 20000 lbs (9070 кг)
- Рабочий объем мотора:100 мл/об
- Расход рабочей жидкости: 15 - 75 л/мин
- Давление: 17.5 МПа
- Передаточное число редуктора 39:1
- Трос: сталь, Ø14мм×40м
- Размеры барабана: Ø138мм×316мм
- Внешние габариты, (длина, ширина, высота), мм: 645 мм ×342 мм ×320 мм
- Присоединительные размеры: 431мм×64мм×192мм, Болты: 8-M14
- Вес с тросом: 163 кг
- Вес без троса: 108 кг
Выгодное предложение по товарам для автотуризма и подготовки внедорожников от Автовентури: купить Лебёдка гидравлическая Runva 20000 lbs 9072 кг по привлекательной цене. Быстрая доставка по Москве и России.
Лебёдка гидравлическая Runva 20000 lbs 9072 кг: описание, фото, видео, характеристики, условия доставки и покупки оптом и в розницу, отзывы покупателей. Большой каталог Лебёдки гидравлические на официальном сайте интернет-магазина для внедорожников Автовентури
|
Производитель
|
RUNVA |
|
Вес, кг
|
126 |
|
Тяговое усилие, фунты
|
20000 |
|
Тип лебёдки
|
Гидравлическая |
|
Длина упаковки, мм
|
645 |
|
Ширина упаковки, мм
|
342 |
|
Высота упаковки, мм
|
320 |
|
Передаточное отношение
|
39:1 |
|
Трос
|
Сталь |
Подробные условия доставки смотрите в разделе Доставка.
Нужна консультация?
Наши специалисты ответят на любой интересующий вопрос